1
/
of
2
VXB
9/16" Inch HCFL202- 9 2 Bolts Flanged Cast Housing Mounted Bearing with Eccentric Collar Lock
9/16" Inch HCFL202- 9 2 Bolts Flanged Cast Housing Mounted Bearing with Eccentric Collar Lock
Regular price
$38.99 USD
Regular price
Sale price
$38.99 USD
Unit price
/
per
Couldn't load pickup availability
|
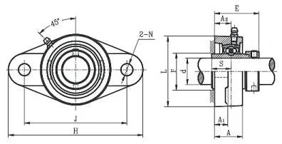
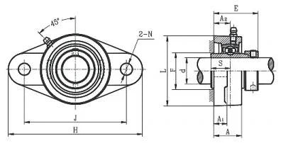
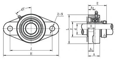
HCFL202-9 Flanged Mounted Bearing with Eccentric Collar Lock 9/16" Inch Inner Diameter |
9/16" Bore HCFL202-9 Flanged Mounted Bearing with eccentric collar lock.
|
| Dimensions | |||||||||||
|---|---|---|---|---|---|---|---|---|---|---|---|
| D | H | J | N | A | A1 | A2 | E | L | S | ||
| 9/16" | 4 7/16" | 3 17/32" | 15/32" | 1 5/32" | 19/32" | 3/4" | 1 25/32" | 2 13/32" | 0.45" | ||
Share
