1
/
of
3
VXB
FHLP206-30mm Pillow Block Low Shaft Height 30mm Bearing
FHLP206-30mm Pillow Block Low Shaft Height 30mm Bearing
Regular price
$106.99 USD
Regular price
Sale price
$106.99 USD
Unit price
/
per
Couldn't load pickup availability
| This item will be shipped within One Week Returns Subject to 15% restocking Fee |
|
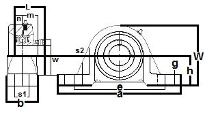
FHLP206-30mm Pillow Block Low Shaft Height Ball Bearing Eccentric Locking Collar 30mm Inner Diameter |
|
FHLP206-30mm Pillow Block Low Shaft Height Ball Bearing, Bearing is solid foot housing design, bearing has Narrow inner ring, bearing is Non-relubricatable unit, Standard seal is RST tight riding, full cover, metal shroud seals.
|
| Dimensions (mm) | |||||||||||
|---|---|---|---|---|---|---|---|---|---|---|---|
| h | a | e | b | s1 | s2 | g | w | L | n | m | W |
| 39.69 | 165.1 | 120.7 | 44.6 | 16.7 | 20.6 | 13.5 | 80.2 | 35.7 | 9 | 14.82 | 44.5 |
Share
