1
/
of
3
VXB
FHLP207-35mm Pillow Block Low Shaft Height 35mm Bearing
FHLP207-35mm Pillow Block Low Shaft Height 35mm Bearing
Regular price
$117.99 USD
Regular price
Sale price
$117.99 USD
Unit price
/
per
Couldn't load pickup availability
| This item will be shipped within One Week Returns Subject to 15% restocking Fee |
|
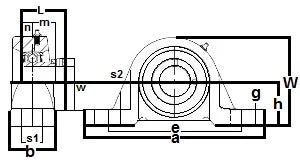
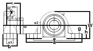
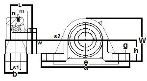
FHLP207-35mm Pillow Block Low Shaft Height Ball Bearing Eccentric Locking Collar 35mm Inner Diameter |
|
FHLP207-35mm Pillow Block Low Shaft Height Ball Bearing, Bearing is solid foot housing design, bearing has Narrow inner ring, bearing is Non-relubricatable unit, Standard seal is RST tight riding, full cover, metal shroud seals.
|
| Dimensions (mm) | |||||||||||
|---|---|---|---|---|---|---|---|---|---|---|---|
| h | a | e | b | s1 | s2 | g | w | L | n | m | W |
| 46.04 | 166.7 | 127 | 45.8 | 16.7 | 20.6 | 16.7 | 92.1 | 38.9 | 9.5 | 15.9 | 55.6 |
Share
