1
/
of
3
VXB
FHLP210-50mm Pillow Block Low Shaft Height 50mm Bearing
FHLP210-50mm Pillow Block Low Shaft Height 50mm Bearing
Regular price
$142.99 USD
Regular price
Sale price
$142.99 USD
Unit price
/
per
Couldn't load pickup availability
| This item will be shipped within One Week Returns Subject to 15% restocking Fee |
|
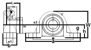
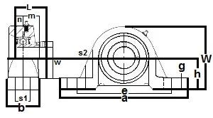
FHLP210-50mm Pillow Block Low Shaft Height Ball Bearing Eccentric Locking Collar 50mm Inner Diameter |
|
FHLP210-50mm Pillow Block Low Shaft Height Ball Bearing, Bearing is solid foot housing design, bearing has Narrow inner ring, bearing is relubricatable unit, Standard seal is RST tight riding, full cover, metal shroud seals.
|
| Dimensions (mm) | |||||||||||
|---|---|---|---|---|---|---|---|---|---|---|---|
| h | a | e | b | s1 | s2 | g | w | L | n | m | W |
| 55.56 | 206.4 | 158.8 | 55.6 | 19.8 | 22.2 | 17.5 | 114.3 | 43.7 | 11 | 19.18 | 69.9 |
Share
