1
/
of
3
VXB
FHPW206-17 Pillow Block Cast Iron Light Duty 1 1/16 Inch Bearings
FHPW206-17 Pillow Block Cast Iron Light Duty 1 1/16 Inch Bearings
Regular price
$116.99 USD
Regular price
Sale price
$116.99 USD
Unit price
/
per
Couldn't load pickup availability
| This item will be shipped within One Week Returns Subject to 15% restocking Fee |
|
FHPW206-17 Pillow Block Ductile Light Duty Ball Bearing Eccentric Locking Collar 1 1/16" Inch Inner Diameter |
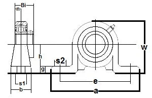
FHPW206-17 Pillow Block Ductile Light Duty Ball Bearing, Bearing is solid foot housing design, bearing has Narrow inner ring, bearing is Non-relubricatable unit, Standard seal is RST tight riding, full cover, metal shroud seals.
|
| Dimensions (Inches) | ||||||||||||
|---|---|---|---|---|---|---|---|---|---|---|---|---|
| h | a | e | b | s1 | s2 | g | w | L | n | m | i | W |
| 1-11/16" | 5-15/16" | 4-23/32" | 1-5/16" | 9/16" | 13/16" | 7/16" | 3-5/32" | 1-13/32" | 23/64" | 37/64" | 15/32" | 1-3/4" |
Share
