1
/
of
3
VXB
FHPW207-21 Pillow Block Cast Iron Light Duty 1 5/16 Inch Bearings
FHPW207-21 Pillow Block Cast Iron Light Duty 1 5/16 Inch Bearings
Regular price
$132.99 USD
Regular price
Sale price
$132.99 USD
Unit price
/
per
Couldn't load pickup availability
| This item will be shipped within One Week Returns Subject to 15% restocking Fee |
|
FHPW207-21 Pillow Block Ductile Light Duty Ball Bearing Eccentric Locking Collar 1 5/16" Inch Inner Diameter |
FHPW207-21 Pillow Block Ductile Light Duty Ball Bearing, Bearing is solid foot housing design, bearing has Narrow inner ring, bearing is Non-relubricatable unit, Standard seal is RST tight riding, full cover, metal shroud seals.
|
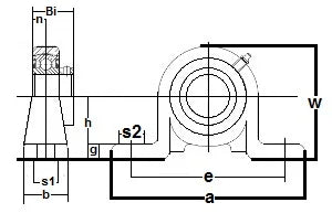
| Dimensions (Inches) | ||||||||||||
|---|---|---|---|---|---|---|---|---|---|---|---|---|
| h | a | e | b | s1 | s2 | g | w | L | n | m | i | W |
| 1-7/8" | 6-1/4" | 5" | 1-3/8" | 9/16" | 13/16" | 7/16" | 3-5/32" | 1-13/32" | 3/8" | 5/8" | 17/32" | 2-13/64" |
Share
