1
/
of
3
VXB
FHSFLCTQ201-8G Bearing Flange Ductile Flush 2 Bolt 1/2 Inch Bearings
FHSFLCTQ201-8G Bearing Flange Ductile Flush 2 Bolt 1/2 Inch Bearings
Regular price
$69.99 USD
Regular price
Sale price
$69.99 USD
Unit price
/
per
Couldn't load pickup availability
| This item will be shipped within One Week Returns Subject to 15% restocking Fee |
|
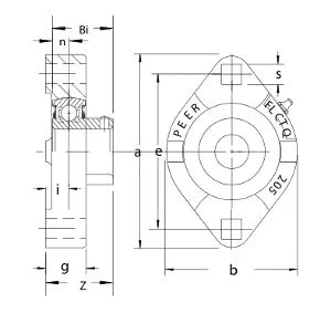
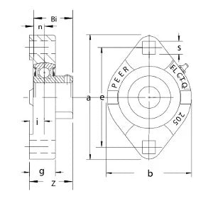
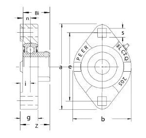
FHSFLCTQ201-8G Flange Ductile Flush 2 Bolt Unit Ball Bearings Set Screw Locking 1/2" Inch Inner Diameter |
FHSFLCTQ201-8G Flange Ductile Flush 2 Bolt Unit Ball Bearing, Bearing is standard duty and high grade cast iron, bearing is narrow inner ring, bearing is relubricatable, Standard seal is RST tight riding, full cover, metal shroud seals.
|
| Dimensions (Inches) | ||||||||
|---|---|---|---|---|---|---|---|---|
| a | e | b | S1 | g | i | Z | Bi | n |
| 3-3/16" | 2-1/2" | 2-5/16" | 9/32" | 37/64" | 19/64" | 15/16" | 57/64" | 1/4" |
Share
