1
/
of
3
VXB
FHSFLCTQ205-14 Bearing Flange Ductile Flush 2 Bolt 7/8
FHSFLCTQ205-14 Bearing Flange Ductile Flush 2 Bolt 7/8
Regular price
$60.99 USD
Regular price
Sale price
$60.99 USD
Unit price
/
per
Couldn't load pickup availability
| This item will be shipped within One Week Returns Subject to 15% restocking Fee |
|
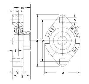
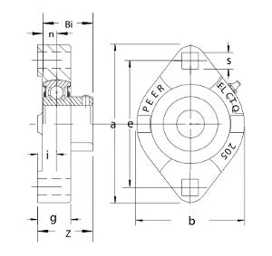
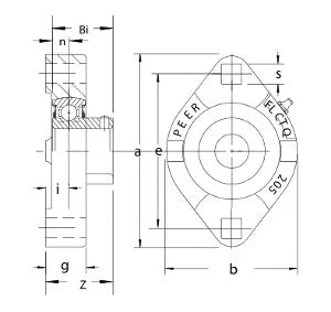
FHSFLCTQ205-14 Flange Ductile Flush 2 Bolt Unit Ball Bearings Set Screw Locking 7/8" Inch Inner Diameter |
FHSFLCTQ205-14 Flange Ductile Flush 2 Bolt Unit Ball Bearing, Bearing is standard duty and high grade cast iron, bearing is narrow inner ring, bearing is Non-relubricatable, Standard seal is RST tight riding, full cover, metal shroud seals.
|
| Dimensions (Inches) | ||||||||
|---|---|---|---|---|---|---|---|---|
| a | e | b | S1 | g | i | Z | Bi | n |
| 3-3/4 | 3 | 2-51/64 | 3/8 | 11/16 | 11/32 | 1-7/64 | 1-1/16" | 0.295 |
Share
