1
/
of
3
FYH
FYH Bearing UCF322 110mm Square Flanged Mounted Bearings
FYH Bearing UCF322 110mm Square Flanged Mounted Bearings
Regular price
$1,645.99 USD
Regular price
Sale price
$1,645.99 USD
Unit price
/
per
Couldn't load pickup availability
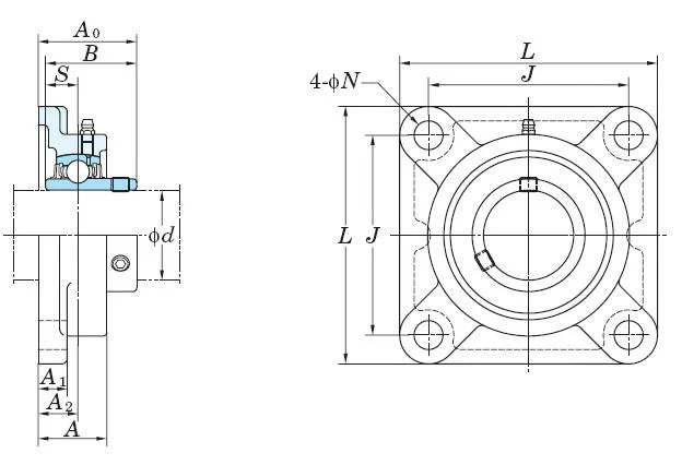
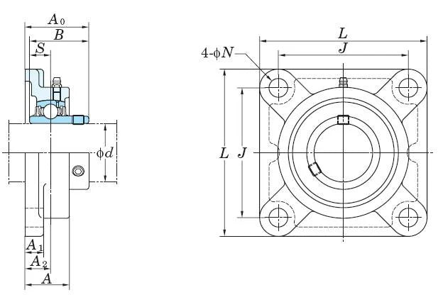
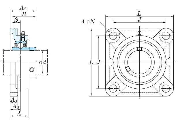
| UCF322 Square Flanged Mounted FYH Bearing Cylindrical bore (with set screws) 110mm Inner Diameter Bearing |
|
This heavy duty four-bolt flange unit has a round cartridge on the backside of the flange which allows for precise mounting and alignment.Applications Rotating drum, rotating roller, precise mounting accuracy is required
|
| Dimensions (mm) | |||||||||||||
|---|---|---|---|---|---|---|---|---|---|---|---|---|---|
| d | L | A | J | N | A1 | A2 | A0 | B | S | ||||
| 110 | 340 | 96 | 266 | 41 | 35 | 60 | 131 | 117 | 46 | ||||
Share
