1
/
of
4
FYH
FYH Bearing UCF326 130mm Square Flanged Mounted Bearings
FYH Bearing UCF326 130mm Square Flanged Mounted Bearings
Regular price
$2,894.99 USD
Regular price
Sale price
$2,894.99 USD
Unit price
/
per
Couldn't load pickup availability
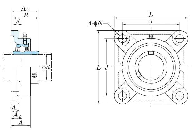
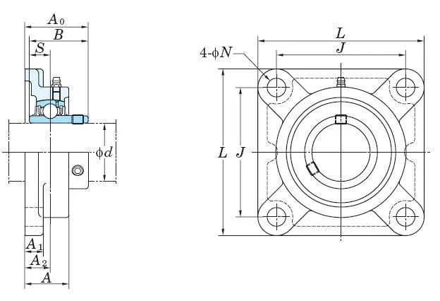
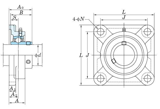
| UCF326 Square Flanged Mounted FYH Bearing Cylindrical bore (with set screws) 130mm Inner Diameter Bearing |
This heavy duty four-bolt flange unit has a round cartridge on the backside of the flange which allows for precise mounting and alignment.Applications Rotating drum, rotating roller, precise mounting accuracy is required
|
| Dimensions (mm) | |||||||||||||
|---|---|---|---|---|---|---|---|---|---|---|---|---|---|
| d | L | A | J | N | A1 | A2 | A0 | B | S | ||||
| 130 | 410 | 115 | 320 | 41 | 45 | 65 | 146 | 135 | 54 | ||||
Share
