1
/
of
3
VXB
GER212-37 Insert GRIP-IT 360 Degree 2 5/16 Inch Bearing
GER212-37 Insert GRIP-IT 360 Degree 2 5/16 Inch Bearing
Regular price
$537.99 USD
Regular price
Sale price
$537.99 USD
Unit price
/
per
Couldn't load pickup availability
| This item will be shipped within One Week Returns Subject to 15% restocking Fee |
|
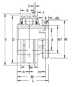
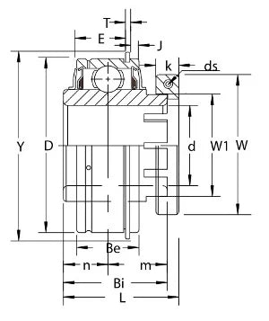
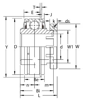
GER212-37 Bearing Insert GRIP-IT 360 Degree Locking Set Screw Locking 2 5/16" Inch Inner Diameter |
GER212-37 Bearing Insert GRIP-IT 360 Degree Locking, bearing is standard load capacity, bearing is Wide inner ring with Cylindrical outer ring and snap ring, bearing has relubrication groove with oil hole on side opposite of locking callar, bearing is black oxide plated inner and outer rings, bearing is nylon patched class 3A set screw, Standard seal is R-seal.
|
| Dimensions (Inches) | |||||||||||||
|---|---|---|---|---|---|---|---|---|---|---|---|---|---|
| D | Bi | Be | L | n | m | E | W1 | J | T | Y | K | W | ds (UNF-Thread) |
| 4-21/64" | 2-9/16" | 1-1/4" | 2-55/64" | 1" | 1-9/16" | 1-1/64" | 3-1/32" | 1/8" | 3/64" | 4-13/64" | 45/64" | 4-3/64" | 5/16-18x1 |
Share
