1
/
of
5
VXB
HC202-9 Bearing Insert with eccentric Collar 9/16 Inch Mounted
HC202-9 Bearing Insert with eccentric Collar 9/16 Inch Mounted
Regular price
$30.99 USD
Regular price
Sale price
$30.99 USD
Unit price
/
per
Couldn't load pickup availability
|
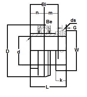
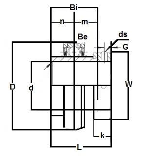
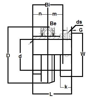
HC202-9 Bearing Insert Eccentric Locking Collar 9/16" Inch Inner Diameter |
HC202-9 Bearing Insert, Bearing is Standard load capacity, bearing is Wide inner ring with spherical outer ring, Bearing has re-lubrication groove with oil hole on set screw side, bearing has oil hole opposite groove makes it interchangeable with all manufacturers, bearing is nylon patched class 3A set screw, Standard seal is R-Seal.
|
| Dimensions (Inches) | ||||||||||
|---|---|---|---|---|---|---|---|---|---|---|
| D | L | Bi | Be | r | n | m | W | K | G | ds(UNF-Thread) |
| 1-55/64" | 1-23/32" | 1-25/64" | 19/32" | 0.059" | 21/32" | 21/32" | 1-1/4" | 17/32" | 13/64" | 1/4-28x1/4 |
Share
