1
/
of
3
VXB
HC210 50mm Bearing Insert with Eccentric Collar 50mm Mounted
HC210 50mm Bearing Insert with Eccentric Collar 50mm Mounted
Regular price
$65.99 USD
Regular price
Sale price
$65.99 USD
Unit price
/
per
Couldn't load pickup availability
|
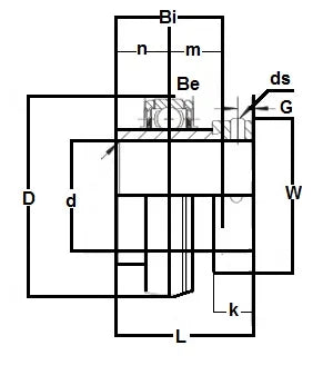
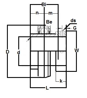
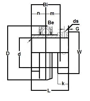
HC210 50mm Bearing Insert Eccentric Locking Collar 50mm Inner Diameter |
HC210 50mm Bearing Insert, Bearing is Standard load capacity, bearing is Wide inner ring with spherical outer ring, Bearing is relubrication groove with oil hole on set screw side, bearing has oil hole opposite groove makes it interchangeable with all manufacturers, bearing is nylon patched class 3A set screw, Standard seal is R-Seal.
|
| Dimensions (mm) | ||||||||||
|---|---|---|---|---|---|---|---|---|---|---|
| D | L | Bi | Be | r | n | m | W | K | G | ds(UNF-Thread) |
| 90 | 62.7 | 49.2 | 22 | 2 | 24.6 | 24.6 | 69.9 | 18.3 | 6.5 | M10xP1.25 |
Share
