1
/
of
3
VXB
HC217 Bearing Insert with eccentric collar 85mm Mounted
HC217 Bearing Insert with eccentric collar 85mm Mounted
Regular price
$302.99 USD
Regular price
Sale price
$302.99 USD
Unit price
/
per
Couldn't load pickup availability
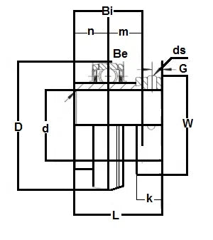
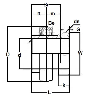
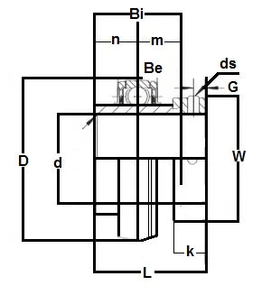
| HC217 Bearing Insert with eccentric collar 85mm Inner Diameter |
HC217 Bearing Insert with eccentric collar, Bearing is standard duty, bearing is Wide inner ring with spherical outer ring, Bearing is re lubrication groove with oil hole on set screw side, bearing is nylon patched class 3A set screw, Standard seal is R-Seal.
|
| Dimensions (mm) | ||||||||
|---|---|---|---|---|---|---|---|---|
| D | Bi | Be | r | n | m | G | W | ds(UNF-Thread) |
| 150 | 85.7 | 34 | 3 | 34.1 | 51.6 | 12 | 105 | M12xP1.5 |
Share
