1
/
of
2
vendor-unknown
Heavy Duty Pillow Block UCP308 Bore 40mm
Heavy Duty Pillow Block UCP308 Bore 40mm
Regular price
$78.99 USD
Regular price
Sale price
$78.99 USD
Unit price
/
per
Couldn't load pickup availability
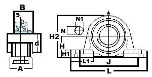
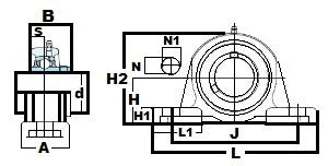
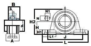
| Heavy Duty Pillow Block UCP308 Pillow Block Bearing Cylindrical bore (with set screws) 40mm Inner Diameter |
|
This is the most common type of Heavy Duty mounted ball unit. The rib at the bottom of the housing mounting section provides for a robust unit that can withstand great loads from any direction. Heavy Duty Mounted units with cast steel housings are also available in this seriesand are used for applications with severe loading and shock load conditions. Tapered-bore style units are offered individually and adapters are sold separately.
|
|||||||||||||||||||||||||||||||||||
Share
