1
/
of
3
NB
NB SMF20UU 20mm Slide Bush Ball Bushings Linear Motion Bearings
NB SMF20UU 20mm Slide Bush Ball Bushings Linear Motion Bearings
Regular price
$84.99 USD
Regular price
Sale price
$84.99 USD
Unit price
/
per
Couldn't load pickup availability
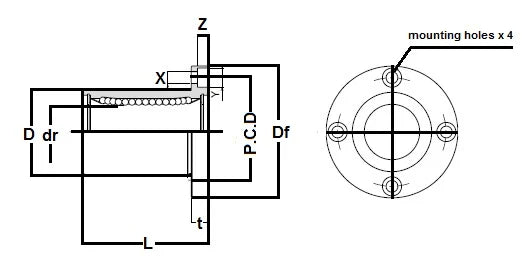
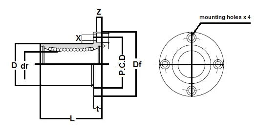
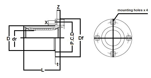
| SMF20UU Round Flange Type:Miniature Slide Bush Made in Japan:NB Linear Systems Nippon Bearing Miniature Linear Systems |
SMF20UU Round Miniature Linear Slide Bush, Bearing is seals on both sides, The retainer material is steel, series mainly used in the USA, NB brand (Nippon Bearing Linear Systems), Made in Japan.
|
| Major Dimensions | ||||||||
|---|---|---|---|---|---|---|---|---|
| dr | D | L | Df | t | P.C.D | X x Y x Z | ||
| mm | tolerance | mm | tolerance | |||||
| 20 | 0-10 | 32 | 0-19 | 42 | 54 | 8 | 43 | 5.5 x 9 x 5.1 |
Share
