1
/
of
3
NB
NB SMF25 25mm Slide Bush Ball Bushings Linear Motion Bearings
NB SMF25 25mm Slide Bush Ball Bushings Linear Motion Bearings
Regular price
$101.99 USD
Regular price
Sale price
$101.99 USD
Unit price
/
per
Couldn't load pickup availability
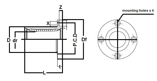
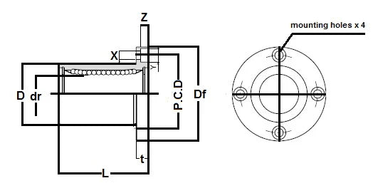
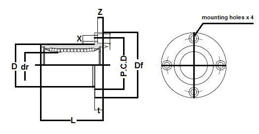
| SMF25 Round Flange Type Slide Bush Made in Japan:NB Linear Systems Nippon Bearing Linear Systems |
SMF25 Round Linear Slide Bush, The retainer material is steel, series mainly used in the USA, NB brand (Nippon Bearing Linear Systems), Made in Japan.
|
| Major Dimensions | ||||||||
|---|---|---|---|---|---|---|---|---|
| dr | D | L | Df | t | P.C.D | X x Y x Z | ||
| mm | tolerance | mm | tolerance | |||||
| 25 | 0-10 | 40 | 0-19 | 59 | 62 | 8 | 51 | 5.5 x 9 x 5.1 |
Share
