1
/
of
3
NB
NB SMF35 35mm Slide Bush Ball Bushings Linear Motion Bearings
NB SMF35 35mm Slide Bush Ball Bushings Linear Motion Bearings
Regular price
$180.99 USD
Regular price
Sale price
$180.99 USD
Unit price
/
per
Couldn't load pickup availability
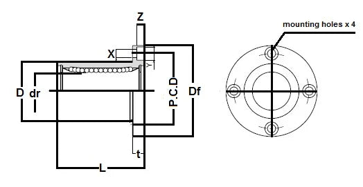
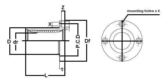
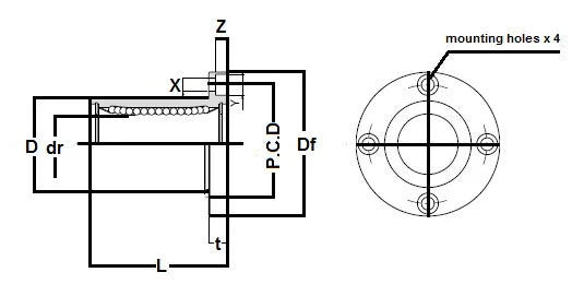
| SMF35 Round Flange Type Slide Bush Made in Japan:NB Linear Systems Nippon Bearing Linear Systems |
SMF35 Round Linear Slide Bush, The retainer material is steel, series mainly used in the USA, NB brand (Nippon Bearing Linear Systems), Made in Japan.
|
| Major Dimensions | ||||||||
|---|---|---|---|---|---|---|---|---|
| dr | D | L | Df | t | P.C.D | X x Y x Z | ||
| mm | tolerance | mm | tolerance | |||||
| 35 | 0-12 | 52 | 0-22 | 70 | 82 | 10 | 67 | 6.6 x 11 x 6.1 |
Share
