1
/
of
3
NB
NB SMF50 50mm Slide Bush Ball Bushings Linear Motion Bearings
NB SMF50 50mm Slide Bush Ball Bushings Linear Motion Bearings
Regular price
$316.99 USD
Regular price
Sale price
$316.99 USD
Unit price
/
per
Couldn't load pickup availability
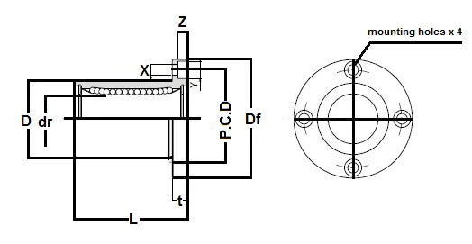
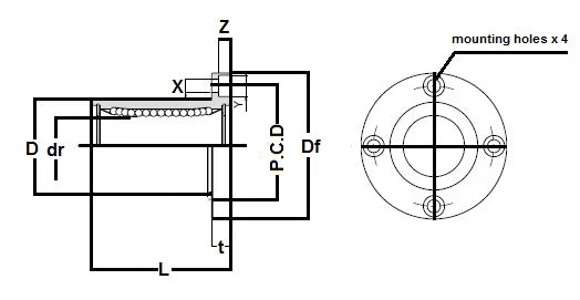
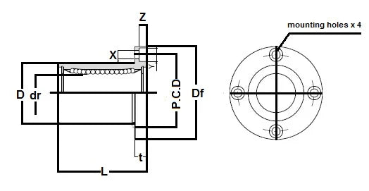
| SMF50 Round Flange Type Slide Bush Made in Japan:NB Linear Systems Nippon Bearing Linear Systems |
SMF50 Round Linear Slide Bush, The retainer material is steel, series mainly used in the USA, NB brand (Nippon Bearing Linear Systems), Made in Japan.
|
| Major Dimensions | ||||||||
|---|---|---|---|---|---|---|---|---|
| dr | D | L | Df | t | P.C.D | X x Y x Z | ||
| mm | tolerance | mm | tolerance | |||||
| 50 | 0-12 | 80 | 0-22 | 100 | 116 | 13 | 98 | 9 x 14 x 8.1 |
Share
