1
/
of
3
NB
NB SMF80 80mm Slide Bush Ball Bushings Linear Motion Bearings
NB SMF80 80mm Slide Bush Ball Bushings Linear Motion Bearings
Regular price
$858.99 USD
Regular price
Sale price
$858.99 USD
Unit price
/
per
Couldn't load pickup availability
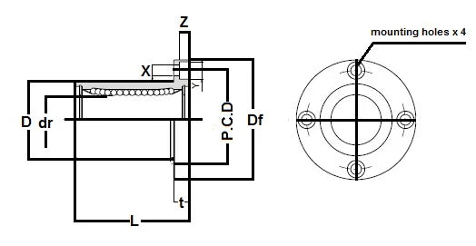
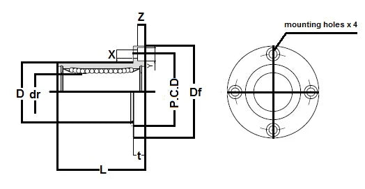
| SMF80 Round Flange Type Slide Bush Made in Japan:NB Linear Systems Nippon Bearing Linear Systems |
SMF80 Round Linear Slide Bush, The retainer material is steel, series mainly used in the USA, NB brand (Nippon Bearing Linear Systems), Made in Japan.
|
| Major Dimensions | ||||||||
|---|---|---|---|---|---|---|---|---|
| dr | D | L | Df | t | P.C.D | X x Y x Z | ||
| mm | tolerance | mm | tolerance | |||||
| 80 | 0-15 | 120 | 0-25 | 140 | 164 | 18 | 142 | 11 x 17 x 11.1 |
Share
