1
/
of
3
NB
NB TWJ32 2 inch Ball Bushing Adjustable Block Linear Motion
NB TWJ32 2 inch Ball Bushing Adjustable Block Linear Motion
Regular price
$467.99 USD
Regular price
Sale price
$467.99 USD
Unit price
/
per
Couldn't load pickup availability
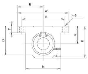
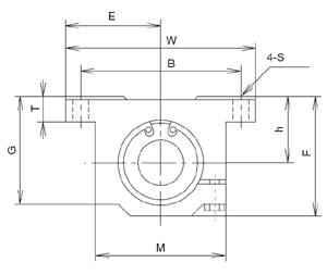
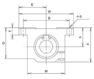
| TWJ32 Clearance Adjustable Block NB Type:Slide Unit Pillow Block Made in Japan:NB Linear Systems Nippon Bearing Linear Systems |
TWJ32 2" inch Clearance Adjustable Block Slide Unit Pillow Block (Inch Series), the inner diameter (bore) is inch dimensions with steel retainer, bearing is a high accuracy grade linear bushings, series mainly used in the USA, NB brand (Nippon Bearing Linear Systems), made in Japan.
|
| Major dimensions | Mounting dimensions | |||||||||
|---|---|---|---|---|---|---|---|---|---|---|
| h | E | W | L | F | T | G | M | B | C | S |
| 2.125" | 3" | 6" | 5" | 4.063" | 0.625" | 3.625" | 4.5" | 5.25" | 3.25" | 0.406" |
Share
