1
/
of
2
VXB
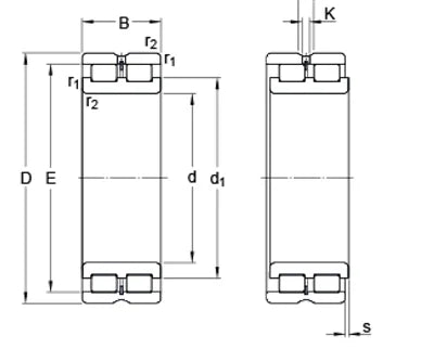
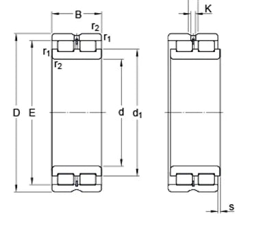
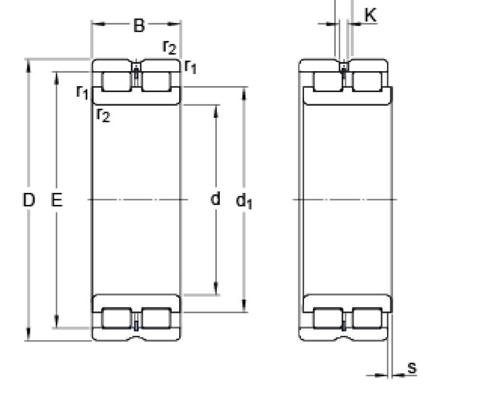
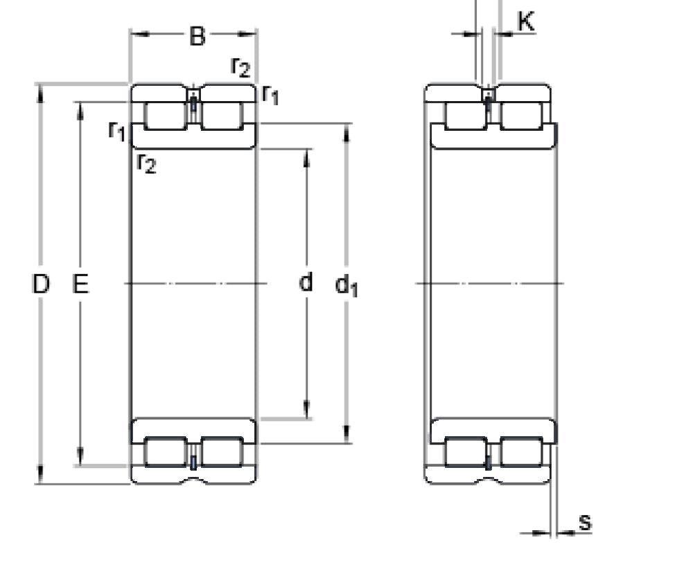
NNCL4934CV P5 Double Row Full Complement Cylindrical Bearing
NNCL4934CV P5 Double Row Full Complement Cylindrical Bearing
Regular price
$4,623.99 USD
Regular price
Sale price
$4,623.99 USD
Unit price
/
per
Couldn't load pickup availability
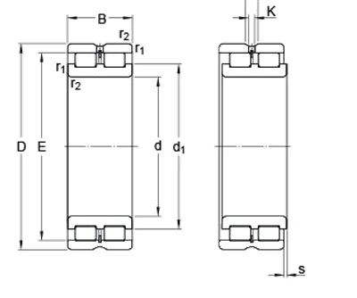
| NNCL4934CV P5 Double Row Full Complement Cylindrical Roller Bearing |
|
NNCL4934CV Bearing is a double row full Complement cylindrical roller bearing, NNCL 4934 CV has no cage, that's why it incorporates a maximum number of rollers. Double row full complement cylindrical roller bearings are suitable for very heavy radial loads..
|
||||||||||||||||||||||||||||||
Share
