1
/
of
4
VXB
UC215 Black Oxide Plated Mounted Bearing Insert 75mm
UC215 Black Oxide Plated Mounted Bearing Insert 75mm
Regular price
$190.99 USD
Regular price
Sale price
$190.99 USD
Unit price
/
per
Couldn't load pickup availability
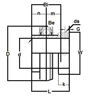
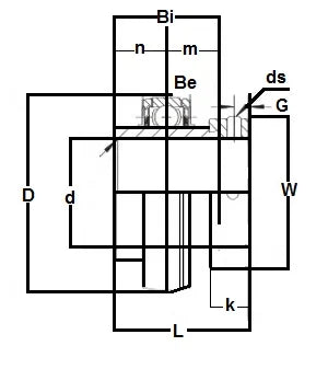
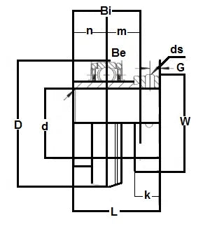
| UC215 Black Oxide Plated Mounted Bearing Insert 75mm Inner Diameter |
UC215 Black Oxide Plated Mounted Bearing Insert, Bearing is standard duty, bearing is Wide inner ring with spherical outer ring, Bearing is relubrication groove with oil hole on set screw side, bearing is nylon patched class 3A set screw, Standard seal is R-Seal.
|
| Dimensions (mm) | ||||||||
|---|---|---|---|---|---|---|---|---|
| D | Bi | Be | r | n | m | G | W | ds(UNF-Thread) |
| 130 | 77.8 | 30 | 2.5 | 33.3 | 44.5 | 11.1 | 91.5 | M12xP1.5 |
Share
