1
/
of
6
VXB
UC217-52 Bearing Insert 3 1/4 Inch Mounted
UC217-52 Bearing Insert 3 1/4 Inch Mounted
Regular price
$195.99 USD
Regular price
Sale price
$195.99 USD
Unit price
/
per
Couldn't load pickup availability
| This item will be shipped within One Week Returns Subject to 15% restocking Fee |
|
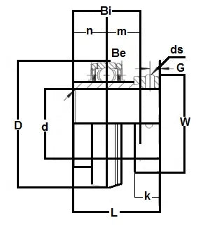
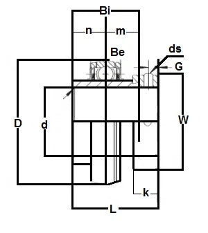
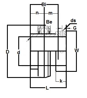
UC217-52 Bearing Insert Set Screw Locking 3 1/4" Inch Inner Diameter |
UC217-52 Bearing Insert, Bearing is standard duty, bearing is Wide inner ring with spherical outer ring, Bearing is relubrication groove with oil hole on set screw side, bearing is nylon patched class 3A set screw, Standard seal is R-Seal.
|
| Dimensions (Inches) | ||||||||
|---|---|---|---|---|---|---|---|---|
| D | Bi | Be | r | n | m | G | W | ds(UNF-Thread) |
| 5-29/32" | 3-25/32" | 1-27/64" | 0.118" | 1-9/16" | 2-7/18" | 19/32" | 4-25/64" | 1/2-20x1/2 |
Share
