Skip to product information
1 of 7

VXB

UCFA201 Adjustable Flange Cartridge Bearing Unit 12mm Mounted Bearings

UCFA201 Adjustable Flange Cartridge Bearing Unit 12mm Mounted Bearings

Regular price $34.99 USD
Regular price Sale price $34.99 USD
Sale Sold out
UCFA201 Adjustable Flange Cartridge Unit
12mm Inner Diameter


UCFA201 Adjustable Flange Cartridge Unit, the inner Diameter is 12mm inch.

  • Item: UCFA201 Bearing
  • Type: Flange Cartridge Unit
  • Basic Load (Cr): 12.8 KN
  • Basic Load (Cor): 6.65 KN
  • Bolt Size: 5/16"
  • Bearing No: UC201
  • Housing No: FA204
  • Quantity: One Bearing


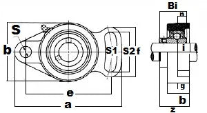
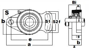
Dimensions (mm)
a e i g S S1 S2 b f z Bi n
102 77.8 15.1 11.9 9.9 9.9 36.1 60.3 54 33.3 31 12.7


View full details