1
/
of
3
VXB
UCFA202-10 Black Oxide Plated Insert Flange Cartridge Bearing Unit 5/8" Bore Mounted Bearings
UCFA202-10 Black Oxide Plated Insert Flange Cartridge Bearing Unit 5/8" Bore Mounted Bearings
Regular price
$54.99 USD
Regular price
Sale price
$54.99 USD
Unit price
/
per
Couldn't load pickup availability
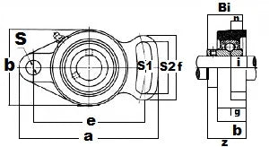
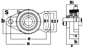
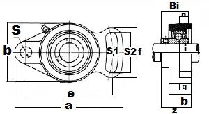
| UCFA202-10 Black Oxide Plated Insert Flange Cartridge Unit 5/8" Inner Diameter |
|
UCFA202-10 Black Oxide Plated Insert Flange Cartridge Unit, the inner Diameter is 5/8" inch. Black oxide has certain properties and characteristics that makes it ideal for certain applications. It is used to add corrosion resistance and for appearance
|
| Dimensions (Inches) | |||||||||||
|---|---|---|---|---|---|---|---|---|---|---|---|
| a | e | i | g | S | S1 | S2 | b | f | z | Bi | n |
| 4-1/64" | 3-1/16" | 19/32" | 15/32" | 25/64" | 25/64" | 1-27/64" | 2-3/8" | 2-1/8" | 15/16" | 1-7/32" | 1/2" |
Share
