1
/
of
8
VXB
UCFA205-14 Flange Cartridge Unit 7/8 Bearing
UCFA205-14 Flange Cartridge Unit 7/8 Bearing
Regular price
$26.99 USD
Regular price
Sale price
$26.99 USD
Unit price
/
per
Couldn't load pickup availability
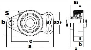
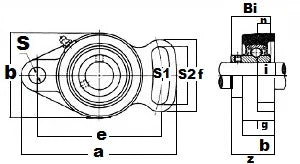
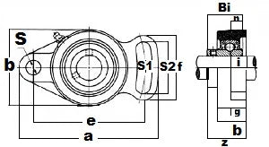
| UCFA205-14 Flange Cartridge Unit 7/8" Inner Diameter Bearing |
|
UCFA205-14 Flange Cartridge Unit, bearing is set screw type,the inner Diameter is 7/8" inch.
|
|||||||||||||||||||||||||||||||||||||
Share
