Skip to product information
1 of 4

VXB

UCFA206 Adjustable Flange Cartridge Bearing Unit 30mm Mounted Bearings

UCFA206 Adjustable Flange Cartridge Bearing Unit 30mm Mounted Bearings

Regular price $34.99 USD
Regular price Sale price $34.99 USD
Sale Sold out
UCFA206 Adjustable Flange Cartridge Unit
30mm Inner Diameter



UCFA206 Adjustable Flange Cartridge Unit, the inner Diameter is 30mm.

  • Item: UCFA206 Bearing
  • Type: Adjustable Flange Cartridge Unit
  • Basic Load (Cr): 19.5 KN
  • Basic Load (Cor): 11.3 KN
  • Bolt Size: 3/8"
  • Bearing No: UC206
  • Housing No: FA206
  • Quantity: One Bearing


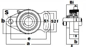
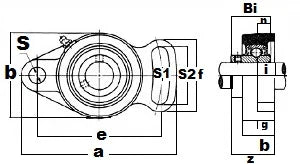
Dimensions (mm)
a e i g S S1 S2 b f z Bi n
144.1 117.1 17.9 13.9 11.9 13.1 58 80.1 71.8 40.64 38.1 15.9



View full details