1
/
of
2
VXB
UCFA207 BlacK insert Flange Cartridge Bearing Unit 35mm Mounted Bearings
UCFA207 BlacK insert Flange Cartridge Bearing Unit 35mm Mounted Bearings
Regular price
$67.99 USD
Regular price
Sale price
$67.99 USD
Unit price
/
per
Couldn't load pickup availability
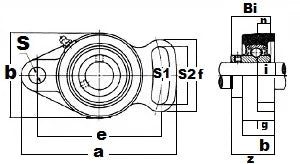
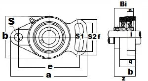
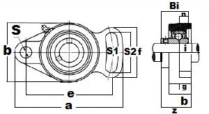
| UCFA207 Black Insert Adjustable Flange Cartridge Unit 35mm Inner Diameter |
|
UCFA207 Black Insert Adjustable Flange Cartridge Unit, the inner Diameter is 35mm.
|
| Dimensions (mm) | |||||||||||
|---|---|---|---|---|---|---|---|---|---|---|---|
| a | e | i | g | S | S1 | S2 | b | f | z | Bi | n |
| 161.1 | 130.2 | 19.05 | 15.9 | 13.9 | 15.08 | 65.9 | 90.1 | 82.15 | 44.45 | 42.9 | 17.5 |
Share
