Skip to product information
1 of 4

VXB

UCFA207 Flange Cartridge Bearing Unit 35mm Mounted Bearings

UCFA207 Flange Cartridge Bearing Unit 35mm Mounted Bearings

Regular price $38.99 USD
Regular price Sale price $38.99 USD
Sale Sold out
UCFA207 Adjustable Flange Cartridge Unit
35mm Inner Diameter


UCFA207 Adjustable Flange Cartridge Unit, the inner Diameter is 35mm.

  • Item: UCFA207 Bearing
  • Type: Adjustable Flange Cartridge Unit
  • Basic Dynamic Load (Cr): 25,700 N
  • Basic Static Load (Cor): 15,400 N
  • Bolt Size: 1/2" Inch
  • Bearing No: UC207
  • Housing No: FA207
  • Quantity: One Bearing


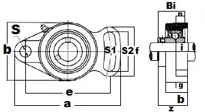
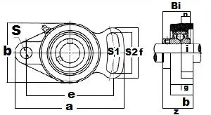
Dimensions (mm)
a e i g S S1 S2 b f z Bi n
161.1 130.2 19.05 15.9 13.9 15.08 65.9 90.1 82.15 44.45 42.9 17.5


View full details