1
/
of
3
VXB
UCP210-30 1 7/8" Black Oxide Plated Insert Pillow Block Mounted Bearing
UCP210-30 1 7/8" Black Oxide Plated Insert Pillow Block Mounted Bearing
Regular price
$98.99 USD
Regular price
Sale price
$98.99 USD
Unit price
/
per
Couldn't load pickup availability
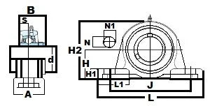
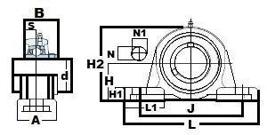
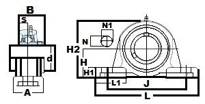
| UCP210-30 Black Oxide Plated Insert Pillow Block Bearing 1 7/8" Inner Diameter Bearing |
|
This is the most common type of mounted ball unit. Black oxide has certain properties and characteristics that makes it ideal for certain applications. It is used to add corrosion resistance and for appearance.
|
| Dimensions (inches) | |||||||||||
|---|---|---|---|---|---|---|---|---|---|---|---|
| d | H | L | A | J | N | N1 | H1 | H2 | L1 | B | S |
| 1-7/8" | 2-1/4" | 8-1/8" | 2-3/8" | 6-1/4" | 25/32" | 7/8" | 3/4" | 4-7/16" | 2-15/32" | 2-1/32 | 3/4" |
Share
